RC201 OEM Micro-Melt Pressure Sensor
Product Overviewhe RC201 pressure sensor adopts the structure of hexagonal body to sensor core welding, which effectively reduces the overall height and volume of the sensor
Hotline:
+86-17615012720 +86-18525579062
Features OEM The core with stainless steel single piece integrated structure No O-rings or silicon oil Wide pressure range Adapt to harsh environment Strong overload capacity Wide operating temperature range Description The RC201 pressure sensor adopts the structure of hexagonal body to sensor core welding, which effectively reduces the overall height and volume of the sensor, simplifies the process flow of the transmitter production, and reduces the production cost. The sensor is divided into two types of compensation and non-compensation, which is convenient for customers to choose flexibly. The core of RC201 pressure sensor (except hexagonal part) is processed by 17-4PH stainless steel single piece integrated structure, with good overload performance, there are no welds, oil or other organic matter in the pressure port, the sealed performance is good. The sensitive element of sensor is firmly sintered on the pressure seat with glass melting technology, which greatly improves the sensor’s performance in high temperature resistance, vibration resistance and more, ensuring the long-term stability, reliability and durability of sensor in harsh industrial environments. Range Option
Note: For special requirements, please contact us. Performance Parameters Power Supply: 3.3Vdc Ambient Temperature: 25℃
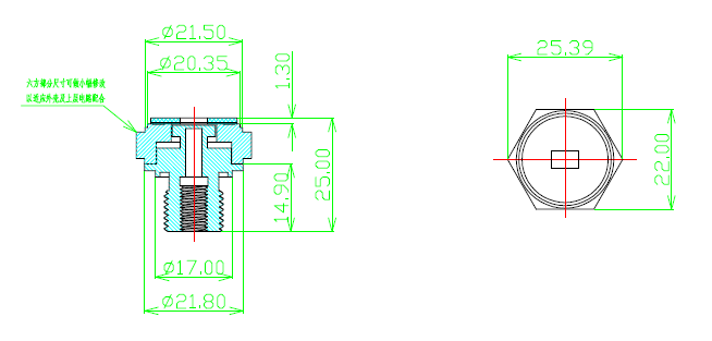
Note: For special requirements, please contact us. Dimension
Note: Above dimension is just example, it can be customized as customer’s requirements, please consult the manufacturer for details. Connection Definition and Output Option
Ordering Information The selection code of the example is as following:
Example: RC201-[0-7]M-D-C5-B10-V6-G (RC201miniature micro-melt pressure sensor, range: 0-7MPa, output: Mv, pressure port: G1/4, connection: solder pins, power supply: 5V, gauge) Note: 1. Please note that the tested medium shall be compatible with the part contacting the product and medium, while ordering. 2. For special requirements, please consult with our company and indicate in the order.
|




