RC2064 Pressure Transmitter
Product OverviewThe pressure seat of RC2064 constant pressure water supply special pressure transmitter is processed with 17-4PH stainless steel single piece integrated structure, the integrated stainless-steel diaphragm makes its overload performance much higher than that of diffused silicon, ceramic and other common cores.
Hotline:
+86-17615012720 +86-18525579062
Features Stainless steel single piece integrated structure, no O-ring Insulation resistance ≥ 100MΩ@250VDC Strong overload capacity High stability and reliability Wide operating temperature range OEM Description
The pressure seat of RC2064 constant pressure water supply special pressure transmitter is processed with 17-4PH stainless steel single piece integrated structure, the integrated stainless-steel diaphragm makes its overload performance much higher than that of diffused silicon, ceramic and other common cores. There is no weld, silicone oil or other organic matter on the pressure port, and the sealing performance is good. The sensitive elements of sensor are firmly sintered on the pressure seat by glass micro-melting technology, which greatly improves the performance of sensor, such as high temperature resistance and anti-vibration, ensuring the long-term stability, reliability and durability of the transmitter in harsh industrial environment. In the process of standard purification, all the parameters are strictly controlled, the whole product has undergone strict testing and aging screening of elements, semi-finished products and finished products, so the performance is stable and reliable. Range Option
Note: For special requirement, please contact us.
Performance Specifications
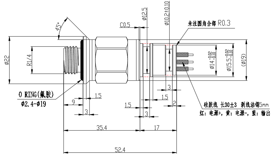
Power Supply: 3.3Vdc ![]() Note: For special requirement, please contact us. Dimensions ![]()
Note: For special requirement, please contact us.
Connection Type and Output Option
Ordering Information The selection code of the example is as following:
Example: RC2064-[0-1]M-X-C19-B2-V5-S (RC2064 pressure transmitter, range: 0-1MPa, output: 0.5-2.5V, pressure port: M10*1, connection: cable-outlet, power supply: 3.3V, sealed gauge)
|








