RC9205 Explosion Proof Intelligent Wireless Temperature Transmitter
Product OverviewRC9205 explosion-proof intelligent economical wireless pressure transmitter is a high-energy lithium battery powered pressure detection intelligent instrument with wireless communication function.
Hotline:
+86-17615012720 +86-18525579062
Features Support for a variety of wireless transmission 24 bit high resolution ADC acquisition High-energy lithium battery Power Supply, long standby time Low power consumption, static current is 15 uA minimum OLED display Small structure, easy to install on site Description RC9205 explosion-proof intelligent economical wireless pressure transmitter is a high-energy lithium battery powered pressure detection intelligent instrument with wireless communication function. The instrument uses imported platinum resistance temperature sensor as the measuring element, and adopts a 24 bit high-precision AD converter to collect pressure and temperature signals. A variety of wireless output types are supported: 433, LORA, LORAWAN, GPRS, LTE, NBIOT, WIFI, etc. The main application fields are petroleum, chemical industry, metallurgy, power station, light industry and other occasions. The long-distance wireless transmission of signal is realized by the way of wireless communication, simplifying the installation mode, saving the of customers’ wiring cost, and truly achieving the purpose of energy saving and environmental protection. The product technical conditions and verification methods of RC9205SY explosion-proof wireless pressure transmitter for oil & gas fields conform to GB3836.1-2010 "Explosive Environment Part 1 General Requirements for Equipment" and GB3836.2-2010 "Explosive Environment Part 2 Equipment Protected by Flameproof Enclosure" d ". RC9201SY explosion-proof wireless pressure transmitter for oil & gas fields has passed the review of explosion-proof product inspection organization designated by the state and gained "Explosion Proof Eertificate", with explosion-proof mark Exd ⅡC T6 Gb.
Standard Ranges
Performance Parameters
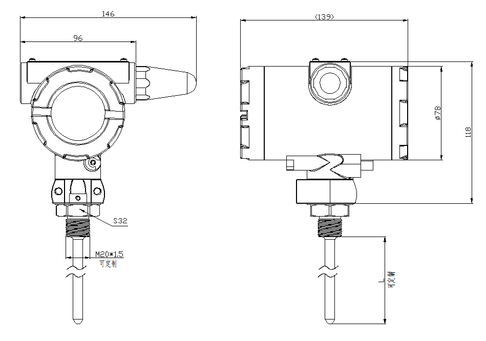
Dimensions
Ordering Information The selection code of the example is as following:
Example: RC9205-[0-100]MD8IOV4 (RC9205 explosion proof intelligent wireless temperature transmitter, Temperature Range(℃):0- 100(℃), Output: 433M, Diameter of protective tube: Φ8, Installation mode and installation interface: M20×1.5, Insertion depth of protective tube: 100mm, built-in battery) Note: We are the manufacturer, if any special needs, please contact us. 1. Please note that the tested medium shall be compatible with the part contacting the product and the medium. 2. For special requirements, please consult with our company and indicate in the order.
|
